日标金属材料拉伸试验片简介
日标金属材料拉伸试验片是用于金属材料拉伸性能测试的参考标准试件,广泛应用于企业研发、质量管理及实验室检测中。该试件可确保拉伸试验条件一致、数据可比性高、试验结果可靠,是开展金属材料性能验证的重要基础工具。
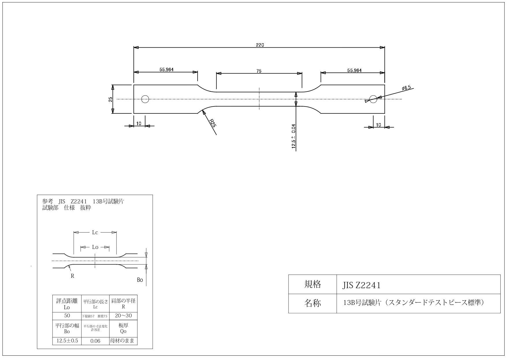
在日本工业体系中,金属材料拉伸试验通常依据日本工业标准JIS Z 2241《金属材料拉伸试验方法》实施。该标准详细描述了金属材料的拉伸试验方法及可在室温(10至35°C)下测量的机械性能要求。日标金属材料拉伸试验片作为该标准体系下的参考试件,用于保证试验过程的规范性及结果可比性。
材质与类型
本日标金属材料拉伸试验片可适用于各类金属材料:
材质:铜、SUS不锈钢、铁、铝合金等各类金属材料。
类型:薄板、薄带、线材、棒材、型材、板材、扁材、棒材、管材。
尺寸可参考文末尺寸规格图(4号、5号、13B号)。
加工工艺与技术特点
本日标金属材料拉伸试验片采用STP超微加工工艺进行精密加工。
1、尺寸公差随板材厚度而变化,板材越薄,加工精度越高。
2、虽然具体精度会因材料而异,但标准公差通常为板材厚度的±10%至15%。
3、加工过程严格遵循日本工业标准体系,保证试件形状、表面及边缘质量符合拉伸试验要求。
4、试件稳定性高,可有效保障不同批次试验结果的可比性与一致性。
应用场景
日标金属材料拉伸试验片广泛应用于以下场景:
1、金属材料拉伸性能测试
2、拉伸试验设备状态确认
3、不同批次材料拉伸性能结果对照
4、企业研发阶段材料性能验证
5、质量管理体系的试验基准统一
通过使用日标金属材料拉伸试验片,企业可确保实验数据可靠,为研发、生产及质量控制提供科学依据。
日本采购的必要性
在实际应用中,非日标体系试件或自行加工试件,往往难以满足日本工业体系对尺寸精度、形状一致性及可追溯性的要求,可能影响试验结果的准确性。
通过日本采购渠道获取日标金属材料拉伸试验片具有以下优势:
1、面向日本市场进行材料性能验证
2、按JIS Z 2241标准实施拉伸试验或进行技术资料说明
3、与日本客户或研究机构进行试验数据对照
4、建立符合日本JIS标准体系要求的质量管理流程
日本采购服务说明
针对企业在日本采购过程中可能面临的语言沟通、技术确认及采购流程复杂等问题,天津友信可提供日标金属材料拉伸试验片日本直采服务,采购过程不设中间商,由天津友信直接对接日本本土标准试件制造厂家完成采购。
在采购实施过程中,天津友信可协助客户完成以下工作:
1、对接日本原厂,完成试件直接采购
2、协调采购周期、生产进度及交付节点
3、根据需求,协助定制并采购日本JIS认证体系下的其他标准试件
通过规范化采购流程与专业沟通机制,天津友信企业管理有限公司可帮助客户高效获取符合日本工业标准体系要求的各类试验参考试件,服务于研发验证、检测评估及质量管理。
适用对象
本项日标金属材料拉伸试验片日本采购服务适用于以下单位和部门:
1、面向日本市场的金属材料生产与加工企业
2、需要按照JIS Z 2241实施拉伸试验的企业
3、企业研发中心与质量管理部门
4、检测机构及材料研究单位






微信
电话
返回顶部